压力表
首页 >> 西安压力事业部 >> 西安压力表

西安普通压力表

西安普通压力表
产品详情

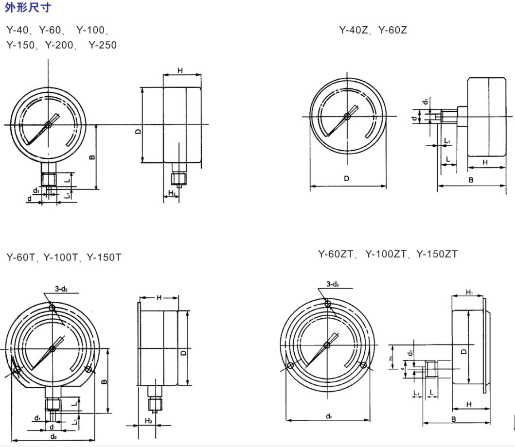
Y系列一般压力表


Y系列一般压力表.jpg

一般压力表适 用于测量无爆炸危险、不结晶、不凝固及对铜及铜合金不起腐蚀作用的液体、蒸气和气体等介质的压力。

主要技术指标.

测量范围、精确度等级

Y系列一般压力表1.jpg

使用环境条件: -40~70C

相对湿度不大于85% 

温度影响:使用温度偏离20土5"C时,不大于0.4%/10C


电话咨询:18629029878
推荐产品
TOP

城市分站:新城普通压力表碑林普通压力表莲湖普通压力表灞桥普通压力表未央普通压力表雁塔普通压力表阎良普通压力表临潼普通压力表长安普通压力表蓝田普通压力表