压力变送器/差压变送器
首页 >> 西安压力事业部 >> 西安压力变送器/差压变送器

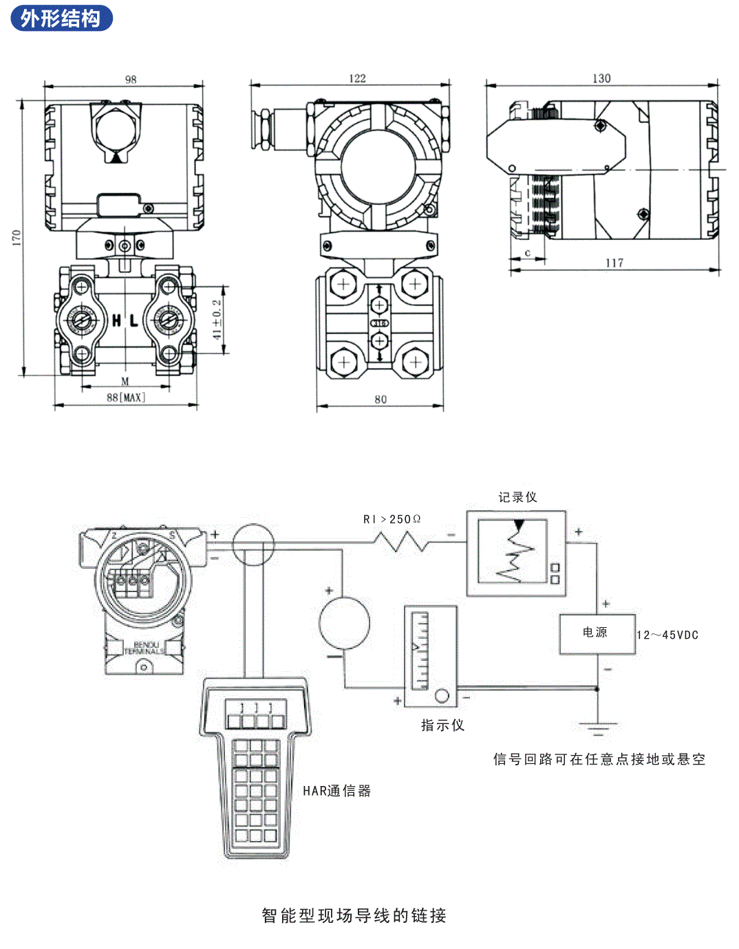
西安电容式压力/差压变送器

西安电容式压力/差压变送器
西安电容式压力/差压变送器
西安电容式压力/差压变送器
西安电容式压力/差压变送器
产品详情
推荐产品
TOP

城市分站:新城电容式压力/差压变送器碑林电容式压力/差压变送器莲湖电容式压力/差压变送器灞桥电容式压力/差压变送器未央电容式压力/差压变送器雁塔电容式压力/差压变送器阎良电容式压力/差压变送器临潼电容式压力/差压变送器长安电容式压力/差压变送器蓝田电容式压力/差压变送器